Aurélien Venin

BET Exécution
Génie climatique

06 20 73 56 50

Email

Prestations - CVC / Plomberie

Plans d'exécution

-

Aperçu →

Plans d'incorporation

-

Aperçu →

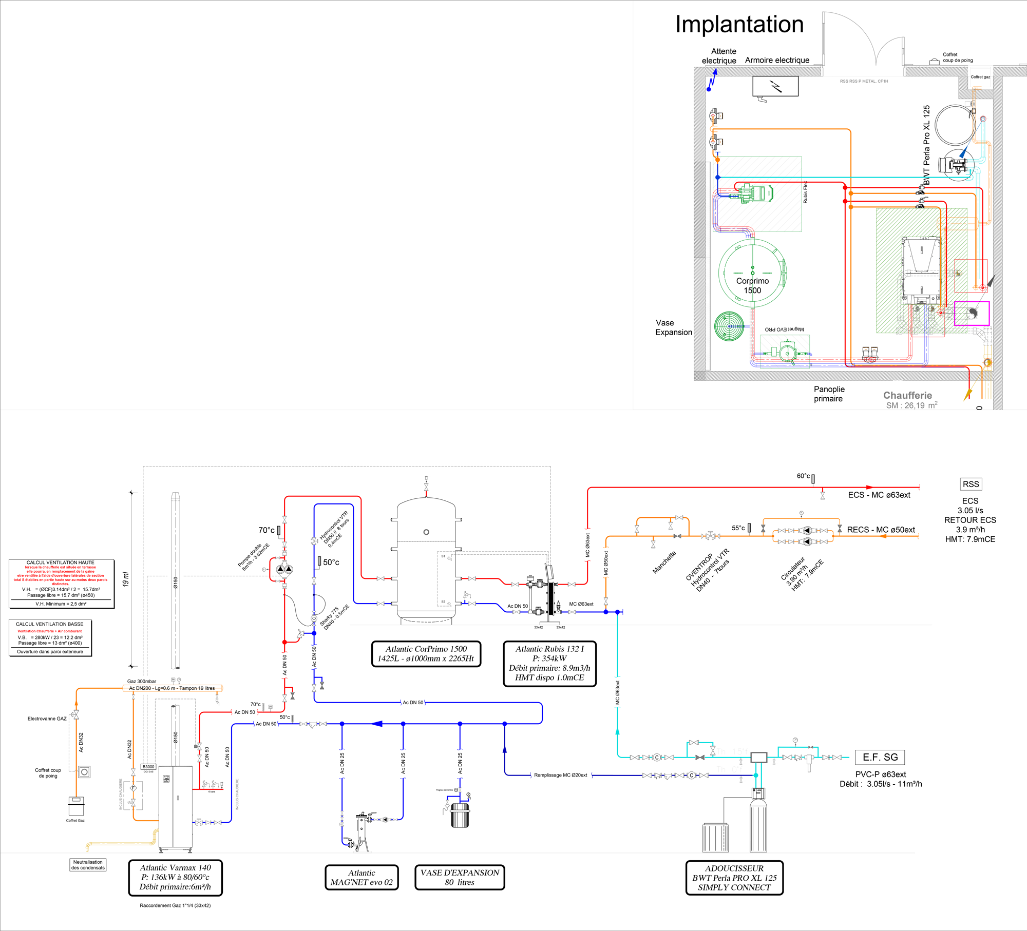
Schéma de principes Locaux Technique

Chaufferie
Sous-Station
Local Eau
CTA

Aperçu →

- Maquettage Locaux Technique

- Chaufferie
- Sous-Station
- Local Eau
- CTA

Aperçu →

Note de Calculs / Dimensionnement

- Locaux Technique
- Equilibrage
- VMC
- EU/EV
- EF/ECS/RECS

Aperçu →

Quelques-unes de nos réalisations

Notre Experience

2018

Diplome de Technicien Superieur d'Etudes en Génie Climatique

AFPA

Stains (93)

2018 -> 2022

Technicien d'etudes Plomberie - CVC

ANDREU / S2ED

Bailly Romainvilliers (77)

2022 -> 2023

Responsable d'affaires Plomberie - CVC

ANDREU / S2ED

Bailly Romainvilliers (77)

Depuis 2023

Technicien d'etude en Plomberie CVC en liberal

BET VENIN

Vigneux sur Seine (91)